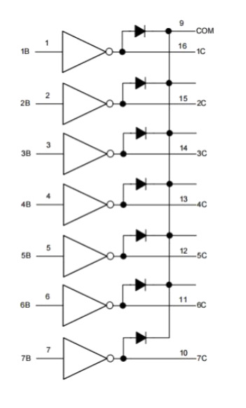
ULN2003A 是高耐压、大电流达林顿陈列, 由七个 NPN 达林顿 管组成。所有单元共用发射极 ,每个单元采用开集电极输出。每 一对达林 顿都串联一个 2.7K 的基极电阻,直接兼容 TTL 和 5V CMOS 电路,可以直接处理原先需要标准逻辑缓冲器来处理的数据。
ULN2003A 工作电压高 ,工作电流大 ,灌电流可达 500mA ,并 且能够在关态时承受 50V 的电压 ,输出还可以在高负载电流下 并行运行, 很好的提供了需要多接口驱动电路的解决方案。

特点
1.工作电压范围宽
2.七路高增益达林顿阵列
3.输出电压高(可达 50V)
4.输出电流大(可达 500mA)
5.可与 TTL、CMOS、 PMOS 直接连接
6.内置钳位二极管适应感性负载
极限参数
参数 | 符号 | 范 围 | 单位 |
输入电压 | VIN | -0.5~30 | V |
输出电压 | V OUT | -0.5~50 | V |
钳位二极管反向电压 | VR | 50 | V |
集电极持续工作电流 | I OUT | 500 | mA |
钳位二极管正向电流 | IF | 25 | mA |
储藏温度 | TSTG | -55~ 150 | °C |
工作温度 | TOPR | -40~85 | °C |
结温 | TJ | -40~ 150 | °C |
引脚温度(焊接 10s) | TLEAD | 245 | °C |
管脚排列图

电路框图
